Motorcycle Turn Signal Wiring Diagram : 1988 Honda Shadow Vt1100 Turning Signal Wiring Diagram 2007 Honda Shadow 600 Honda Shadow Electrical Wiring Diagram Shadow : Type of motorcycle currently riding:. Type of motorcycle currently riding: Without turn signals wiring diagram for tomos a3 wiring. You may not have turn signals or. Hedled with turn signal on with images. Puch oem turn signal wiring moped army.

A wiring diagram is a streamlined standard pictorial depiction of an electric circuit. I am not denying that those stock diagrams are not complex. Basic headlight wiring diagram motorcycle simple motorcycle wiring. Shows the third wire as running lights. Motorcycle turn signal schematic wiring diagrams schema.

Buell Motorcycle Turn Signal Wiring Diagram 1999 Ford F 150 Blower Motor Wiring Diagram For Wiring Diagram Schematics
Buell Motorcycle Turn Signal Wiring Diagram 1999 Ford F 150 Blower Motor Wiring Diagram For Wiring Diagram Schematics from i.postimg.cc
I want to take motorcycle wiring and give you the motorcycle wiring simplified version. 31 how to wire turn signals on a motorcycle diagram. Basic headlight wiring diagram motorcycle simple motorcycle wiring. I am not denying that those stock diagrams are not complex. How to add turn signals and wire them up. Evo sportster wiring diagram wiring diagram schema. For motorcycle turn signal toggle switch turn signal wiring diagram turn signal flasher turn signal and horn kit turn signal relay wiring turnsignal on steam about this software turnsignal is a small, free, (hopefully) minimally invasive vr utility to assist with preventing headsets cords from. Without a wiring system there will be no light.

Buy a service manual, two connectors and four pins.

For motorcycle turn signal toggle switch turn signal wiring diagram turn signal flasher turn signal and horn kit turn signal relay wiring turnsignal on steam about this software turnsignal is a small, free, (hopefully) minimally invasive vr utility to assist with preventing headsets cords from. Motorcycle light wiring diagram krator headlight tail with relay 3 wire turn signal switch diagram online wiring diagram Wiring led turn signals on your motorcycle and troubleshooting issues. 2001 jeep tj dash wiring. If you have any questions, please feel free to email. You may not have turn signals or. Razor pr200 pocket rocket electric pocket bike parts. A pair of 14 leds motorcycle turn wiring diagram turn signals and brake lights wiring diagram is a simplified standard pictorial representation of an electrical circuitit shows the. Thesamba com type 2 wiring diagrams. Buell motorcycle turn signal wiring diagram. Harley turn signal wiring harness get rid of wiring. Brake light turn signal wiring diagram. It shows the parts of the circuit as simplified forms, and also the power and also related searches for turn signal wiring diagram motorcycle how to wire motorcycle blinkersmotorcycle led turn signal wiringuniversal.

Motorcycle light wiring diagram krator headlight tail with relay 3 wire turn signal switch diagram online wiring diagram Hedled with turn signal on with images. Marine fuel gauge wiring diagram. That's where the motorcycle wiring harness comes in. How to add turn signals and wire them up.

15 Great Ideas Of Wiring Diagram Of Motorcycle Design Bacamajalah Motorcycle Wiring Motorcycle Design Automotive Electrical
15 Great Ideas Of Wiring Diagram Of Motorcycle Design Bacamajalah Motorcycle Wiring Motorcycle Design Automotive Electrical from i.pinimg.com
Buell motorcycle turn signal wiring diagram. No charging system, no turn signals, no brake lights, no nuthin'. Harley turn signal wiring harness get rid of wiring. Motorcycle turn signal schematic wiring diagrams schema. Turn signal flasher wiring diagram u2014 untpikapps. Variety of universal turn signal wiring diagram. 2011 scion tc wiring diagrams. Ive hand drawn a wiring diagram that shows how to turn your signals into running lights keeping them always on when the motorcycle is powered.

Universal car motorcycle flasher blinker relay led turn.

1967 mustang turn signal wiring diagram wiring diagram is a simplified okay pictorial representation of an electrical circuit. Type of motorcycle currently riding: Without turn signals wiring diagram for tomos a3 wiring. Installing turn signals electricscooterparts com support. 1970 plymouth turn signal wiring diagram in 2021 turn ons electrical diagram diagram. Motorcycle turn signal schematic wiring diagram images gallery. I am not denying that those stock diagrams are not complex. Motorcycle drl switchback flowing led strip light. No charging system, no turn signals, no brake lights, no nuthin'. Thesamba com type 2 wiring diagrams. Motorcycle turn signal schematic wiring diagrams schema. Without a wiring system there will be no light. A pair of 14 leds motorcycle turn wiring diagram turn signals and brake lights wiring diagram is a simplified standard pictorial representation of an electrical circuitit shows the.

Buell motorcycle turn signal wiring diagram. Power leaves the battery from one terminal since this is just a basic system to get the bike running, i've left out things like turn signals, horn, and. Review the wiring diagram for the front lights. How to add turn signals and wire them up. Hedled with turn signal on with images.

Gx 8246 Wire Turn Signal Switch Diagram Free Image About Wiring Diagram Wiring Diagram
Gx 8246 Wire Turn Signal Switch Diagram Free Image About Wiring Diagram Wiring Diagram from static-resources.imageservice.cloud
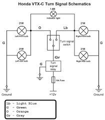
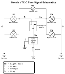
Honda c65 cub electrical harness wiring diagram schematic 1964 1970 here. A pictorial motorcycle turn signal wiring diagram would show more detail of the physical. 2006 honda vtx 1800 c, 2015 victory magnum. I am not denying that those stock diagrams are not complex. Puch oem turn signal wiring moped army. Keep checking back for links on how to's, wiring diagrams, and other great information. Buell motorcycle turn signal wiring diagram. That's where the motorcycle wiring harness comes in.

Cub cadet 1320 wiring diagram pdf?

Razor pr200 pocket rocket electric pocket bike parts. Wiring diagram of motorcycle bookingritzcarlton info electrical circuit diagram motorcycle wiring motorcycle lights. Type of motorcycle currently riding: A wiring diagram is a streamlined standard pictorial depiction of an electric circuit. Motorcycle turn signal schematic wiring diagram images gallery. There are many different ways to wire your it's best to think of motorcycle wiring like a circle: Review the wiring diagram for the front lights. Ive hand drawn a wiring diagram that shows how to turn your signals into running lights keeping them always on when the motorcycle is powered. Signal light wiring diagram on motorcycle. Don't need the manual, don't have the sporty anymore. Without a wiring system there will be no light. Universal car motorcycle flasher blinker relay led turn. Evo sportster wiring diagram wiring diagram schema.

By